Pessoal quem curte e gosta dos projetos do blog, por gentileza olhem ás propagandas e click para maiores detalhes no que interessar, desta forma vocês estarão ajudando o blog. Muito obrigado por acessar e ajudar o blog, conto com vocês.
Como eu havia escrito no primeiro transverter para fixar dentro do 148gtl, esse é um projeto mais elaborado que eu fiz, a História se repetiu ao do primeiro tive que acabar às pressas porque o mesmo amigo queria comprar o projeto, não adiantou eu recusar, ele não queria saber, fez de tudo para eu vender e colocar no seu outro 148gtl, por isso não tenho às fotos do projeto dentro do rádio. Sobre o Transverter a recepção em 40Metros, é satisfatória sendo melhor que o primeiro, devido ao tamanho e falta de espaço dentro do rádio, não dava para eu em uma só plaquinha, colocar mais um ou dois transistores e mais uma ou duas bobinas de recepção, eu gostei da recepção o 148gtl é um rádio muito bom em filtros NB/ANL que atua eficaz na recepção de antena, o oscilador a cristal de 10Mhz, permite que você entre na faixa de 40Metros dentro dos canais normais do PX, se preferir adicione em série com o cristal um trimmer para ajustar o oscilador em 20Mhz, para sub faixa, o rádio terá de descer até o -15 ou então trocar o cristal por um de 10.245Mhz de telefone sem fio velho, ou faça o oscilador idêntico ao primeiro transverter, retirando o sinal do cristal do PX, mais tera de mudar os capacitores de base e emissor do transistor. Como misturador eu usei o BF 982, mais você poderá colocar outros BF 980, BF961, e outros esse misturador é mais confiável, pois o Mosfet recebe os dois sinais, dando em seu "D" Dreno, a soma ou a diferença dos dois sinais, no caso do projeto queremos amplificar a diferença que é 7Mhz, por isso temos duas bobinas L4, L5, sintonizadas e um filtro para 7Mhz, empurrando o sinal ao BD 135C ou -16, poderá ser substituído por BC 338, ou 2N 2222, 2N2369, o que deu melhor potência foi o BD135C ou -16 ou BD135-16 depois temos outro BD329C ou BD139-16 que é o excitador do IRF510, poderá usar como excitador, os BD137C, BD139C, BD329C, o FET, poderá usar outros, como: IRF 530,630,740,830, mais o que usei com melhor resultado foi IRF 630, cuidado ao regular o trimpot na entrada RF "Gate" do FET observe se ele esquenta muito e a modulação em SSB em picos alto como assobiar se tem distorções, e veja a estacionaria, a saída de RF é ótima muito melhor que o primeiro transverter, em relação ao meu TS50, aproximadamente 20W RF em picos alto, todos quem eu ouvia me escutava e reportagens afirmavam que eu estava modulando com um DELTÃO, pois o áudio do 148gtl é muito bom, e se distorcer um pouco feche um pouco o DYNAMIKE , mais atenção quanto mais você fecha o áudio sai menos potência de RF do PX. O transistor BC338 que tem seu coletor ligando ao pino 1 MB3756, só entra em funcionamento nos circuitos principais de RX oscilador, é como se fosse uma chave simples de tensão, quando a chave atrás do rádio e selecionada para 40Metros, a tensão que vem AM, SSB, alimenta o transistor. em AM a recepção poderá ficar um pouco mais fraca devido a tensão de 4.9 volts que alimenta o circuito e oscilador, mais em SSB temos os 8.0 volts alimentando os circuitos 100%, por isso melhor usar ele sempre em SSB. Bem está ai espero que gostem desse projeto, está bem elaborado, faça e fale e terá a maior surpresa, tente melhorar o circuito, poderá fazer uma plaquinha maior ou duas plaquinha, como eu fiz no Transverter Galaxy Pluto, se quiser mais potencia faça uma saída push pull com dois FETs, você poderá fazer o que quiser, é só colocar a cabeça para pensar, e lembre-se de fazer bem bonito nos acabamentos, saiba que seu nome está em julgamento, não faça feio, procure fazer o mais perfeito, para que quando outras pessoas veja o que você fez te elogie. Bem espero que gostem, depois eu vou publicar o esquema do transverter no Galaxy Pluto, já estou desenhando.
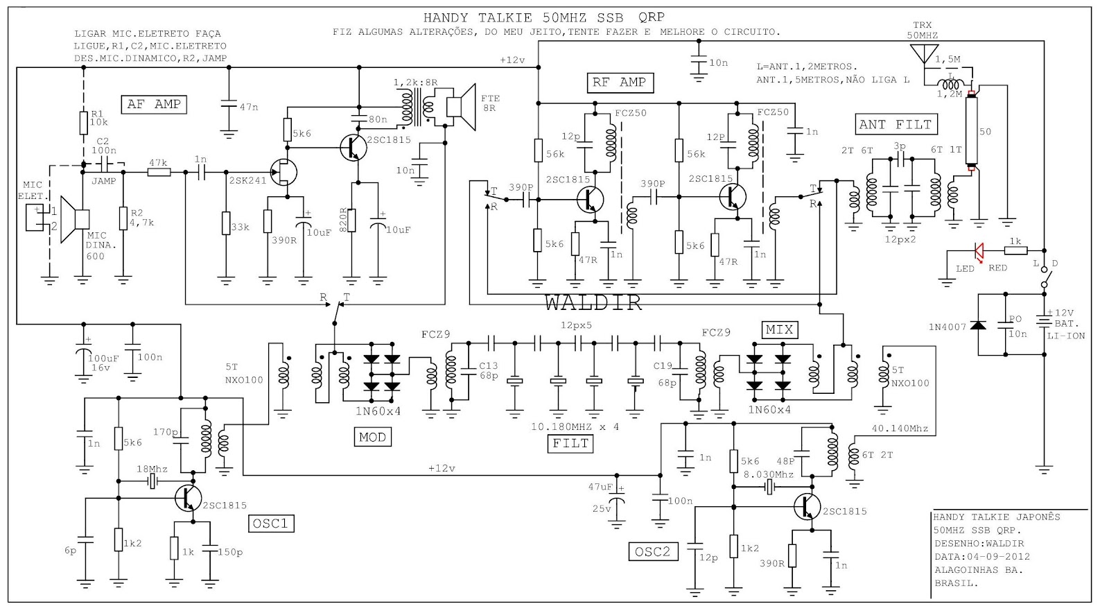
Esquema do segundo Transverter para fixar dentro do 148Gtl SSB AM.
Placa do Transverter, cima original perfurada desenho a lápis, baixo xerox da placa pronta.











