Pessoal quem curte e gosta dos projetos do blog, por gentileza olhem ás propagandas e click para maiores detalhes no que interessar, desta forma vocês estarão ajudando o blog. Muito obrigado por acessar e ajudar o blog, conto com vocês.
Este projeto poderá ser adicionado no VFO um DDS VFO Arduíno, vejam que é muito melhor e fácil montar um VFO digital com memória, canais, RIT, e tem a vantagem de ser digital com oled 128x32 ou 128x64, vocês poderão montar um Walkie Talkie em 6 ou 2 metros, com antena reduzida.
Este mês trago um projeto simples um transceptor SSB em LSB, USB do amigo Chinês BD4IGH, versão com NE 612, este CI tem outros substitutos, SA 612, NE 602, SA 602, mesmo assim em alguns países é um componente difícil de achar, aqui no Brasil o seu preço não é barato em relação a outros como TA 7358, LA 1185, MC 3361, e outros, que custa menos que uma dúzia de bananas, acho que por ser. Misturador duplo equilibrado e oscilador ou Double-balanced mixer and oscillator, veja datasheet http://ee.sharif.edu/~comcirlab/NE612.pdf Mais para um bom montador pode-se substituir por outros CIs, exemplo do TA 7358, LA 1185, com mais um pino, é só modificar ás ligações dos pinos, podendo basear-se em outros esquemas na WEB,http://diankurniawan.wordpress.com/2010/11/10/80m-ssb-trx-using-ta7358-la1185/ou na página do amigo Miguel PY2 OHH com o ararinha 5 http://py2ohh.w2c.com.br/trx/ararinha5/ararinha5.htm existe outro esquema do indiano Dr. R. RAJASEKHAR, VU2HMY http://www.cqham.ru/forum/attachment.php?attachmentid=30238&d= Salve em (PDF) manual completo, existem outros esquemas na WEB. O montador não deve ficar atrelado só em um componente, deve inventar, mudar, continuar tentando, na eletrônica pode-se substituir quase todos circuitos e componentes, é só o montador prestar bem atenção e saber o que aquele circuito faz, como ele trabalha, para que serve, e tentar substitui-lo, mais para isso tem que ter experiencia, claro que para um iniciante em montagens ou na eletrônica isso parece que não existe. Por isso eu dei um toque de modificações no esquema original, com o TA 7358 os IRF 630 o 74HC4053, ou comutação a diodos 1N4148, o montador poderá criar seu próprio esquema acrescentando, transformando, eliminando, e substituindo componentes e montar seu TRX em SSB, LSB e USB, com pouco custo no bolso. O esquema do amigo Chinês é simples mais já fez muito sucesso por lá, foi redesenhado por colegas que montaram cada um do seu jeito, aqui está alguns esquemas e fotos de protótipos que são montados em vários modelos.
Estas fotos vocês podem ver várias versões, montados em diversos tamanhos existem outras , agora é só vocês procurar uma caixinha de rádio ou outras ver o tamanho da placa PCI e montar o seu transceptor, vejam alguns desenhos de PCI.
Vejam em zoom.
Vejam em zoom.
Faça sua própria placa PCI, use a imaginação, tente fazer a mão ou em programas no PC, eu gosto de fazer a mão, como está aqui no blog em outros projetos meus, mais para quem tem recursos poderá fazer no PC muito mais bonita e bem acabada, vejamos alguns esquemas originais do BOW TRX SSB BD4IGH.
Este desenhado a mão pelo amigo BD4IGH, com SC1971 PA.

Uma versão com IRF640 TDA 2003, também com relé .

Uma versão melhor porem com duplo relé, a transistor PA.

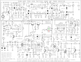
Na Asia China Japão, com pouca potencia RF da para fazer contato até DX longa distância, por isso o esquema original com 5w RF. No Brasil principalmente aqui no Nordeste precisamos de QRPs com maior potencia 20w RF é bom, já faz DX com uma antena simples com 5 metros de altura, eu fiz muitos testes e a partir de 15w RF quem eu escutava eu poderia chamar que me contestava, isso com minha antena (dipolo) de 5 metros de altura do solo. Vejam os esquemas que eu desenhei, ATENÇÃO: Aos montadores: Os esquemas por mim desenhados podem ser modificados em seus componentes de ajustes como indutores, resistores ajuste*, e transistores, vale lembrar que na teoria é uma situação, na prática é outra, com a confecção da placa PCI pode-se ter diversos comportamento do circuito, oscilações, resistências parasitas, etc. por isso coloque capacitores ligados próximos ás bobinas, use capacitores desacoplamento de poliéster, é difícil ficarem ruim em curto, na linha de +B. Vejamos os esquemas.
Este é um dos esquemas Chinês BD4IGH, dei alguns toques vejam.
Aqui com TA7358, IRF630 comutação 1N4148
Aqui com TA7358 BD329 PA.
Aqui com TA7358, SC1969 20W RF.
Atualizado 07-08-14,faltou negativo emissores SC1969 PA.
Waldir Cardoso.


















